Skip to main content
GE 2200

GE 2200

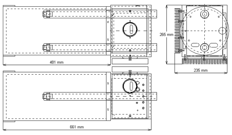
Technical data Dimensions
Power supply: 230 V Width: 235 mm
Power frequency: 50 Hz Height: 265 mm
Supply current: 10 A Length: 661 mm
Output voltage (unloaded): 60 KV  
Max. output current: 34000 µA  
Max. power output: 2200 W  
Technical drawing